新型穴位探测仪电路板设计
时间:2012-9-18
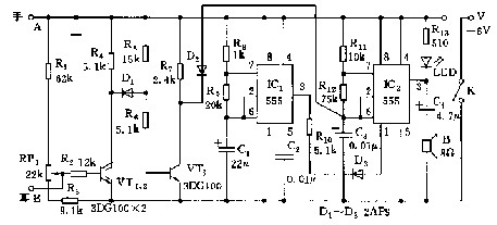
穴位探测仪是用于探浏人体经络穴位和病患敏感点的穴位的。 现有的穴位探测仪的设计,均是以人体电阻作为探测电路结构的一郡分,而人体电阻因人或因病而异,且差别较大,以至探穴灵敏度不高,加之现有穴位探测仪多采用脉冲波,并迭加有交流波形的电流,而人体电阻率是随所加电压大小而变,这与随时间面变的脉冲波的电压值不一致,其结果势必造成探穴误差。华澜科技采用新的穴位探测仪电路板设计思路提供一种灵敏度高、探测准且安全可靠的穴位探测仪。
华澜科技新型穴位探测仪的工作原理:t前级为一电压比较器。通过转换开关与探头相连,当此探头所触到的皮肤阻抗低于周圈皮肤阻抗时,电压比较器输出靖为高电平,否则为低电平。该电平经缓冲器与后极脉冲器相连,并用于探穴情况的指示。当电压比披器未探瓤低阻抗点对,输出低电平,脉冲器不工作。电压比较器输入端灵敏度极高,探穴准确。
新型穴位探测仪电路图如下:

- LCD液晶显示器驱动板卡设计——LIPS板卡 2012-9-18
- 带小马达移位机控制器设计开发 2012-9-18
- 超声波控制板设计:超声波测距、超声波清创、超声波美容 2015-5-13
- 立体车库车位控制器设计—LED显示,不锈 2012-9-18
- 基于LED显示的电子称设计 2012-9-18
- 四座及以上游戏机IO卡PCB设计 2013-12-4
经典案例







